The Singing Trees by Stanza. The tree sings a song about the environment.

Stanza . The sounds of the invisible  in art. Steve Tanza

Exhibition

The Singing Trees make music and sing a song about the environment by Stanza 2008. How can wireless sensor networks help us interpret and understand the environment that surrounds us.

The sounds you hear are the sounds of the changing environment, the sound of the stuff that is all around us that is turned into a real time sound stream using dozens of wireless sensors which are presented through a custom made speaker system for the audience to listen to. This is a responsive installation in public space, a sonification of the real space and environment.

stanza tree copyright owned

 

-----------------------------------------------------------------------------------------------------------------------

  • The Singing Trees 2008 - onwards
  • This artwork focuses on the real time space and the experience of public as they interact with the space and the ecology of the environment.
  • The sounds you hear and experience from the artwork are the sounds of the changing environmental data streams.
  • The changes in noise levels, light, temperature, pressure in the environment are be turned into a real time sound stream using dozens of wireless sensors.
  • A custom made speaker system which is wireless and powered by batteries and solar panels presents the sounds.
  • The artwork is open social sculpture that creates new meaningful sonic experiences for audience engagement
  • The sensors interpret the micro-data of the environment of the tree and surroundings. It is what the tree experiences.
  • The outputs from the sensor network displays the "emotional" state of the environment.
  • The artwork is also a highly technical project that gives vast amounts of information about the environment.
  • By embedding the sensors like this we can re-engage with the fabric of space itself and enable new artistic metaphors within the environment.
  • Available for touring (not the tree, but the idea and concept). If you want me to set this up get in touch.
  • Future: Many trees can be linked to talk to one another ie a whole forest.
  • Exhibition and deployment. Goldsmiths college 2008 . Hyde Park 2008. Univerity of Falmouth 2013.

-----------------------------------------------------------------------------------------------------------------------

   

Underlying conceptual theme.

Embedded in ubiquitous computing sensor spaces is the concept that we are at a grand scale surveying and monitoring the environment which is in essence parsing this data through bigger systems of control.

Can we use new technologies to imagine a world where we are liberated and empowered, where finally all of the technology becomes more than gimmick and starts to actually work for us or are these technologies going to control us, separate us, divide us, create more borders. My wireless sensor network is set up to "visualize" the space all around us as 'worlds' full of data. These new data-spaces can help us understand the fundamentals of our outside environment.

This speculative artworks therefore, reinterprets the ever-present flow of data and the creation of a sonfication that demonstrates a new level of understanding of the hidden spaces by combining many places at once creating the multi-point perspective, while addressing in a broader context the ethical problems of manipulating data and securitisation of the expanding virutal environment.

These practical investigations are examples of digital art system experiments, and work as prototypes that test the convergence of data streams. For artistic and technological purposes, this projects again uses a wireless sensor network to create experimental software interfaces which are experienced by the public as a new media artwork.

In this sense, testing these new types of interface in this way leads to their use as epistemic tools, of potential interest to other artists, urban planners, noise mapping experts and the broader public, by sharing the resulting data streams that could be used to make, for example, more interfaces for informatics, noise and sound maps for noise pollution, or urban analytics for urban planning; as well as for cultural use and in this case art.

 

The Singing Trees of Tremough from Stanza on Vimeo.

 

Technology Software (Sonification of Data)

Tree Software

The sonification software includes atonal note customization with harmonic variation for the whole system. It features mixing consoles for each independent environmental data set all working in real time and a record feature. Additional mixers in the software also allow all the sensors to be mixed and cross mediated enabling on to compose music based on the space. The software enables light, temp, noise, humidity, GPS to all be mixed separately across the whole system if required. In summary the XML live feeds (the incoming data) is turned in music. Basically one can compose music based on the environment the sensors are sited. The software enables light, temp, noise, humidity, GPS to all be mixed separately across the whole system if required. In summary the XML live feeds (the incoming data) is turned in music.

MoteProxy Software

Also developed is the online custom built software software to collect environmental data from the sensors allowing the data to be ported over networks to the Sonicity software. This Moteproxy software is a java middle-ware environment for connecting up xbow motes allowing access to the data  outside and directly off the motes. It is now in version two and sits on its own server. It allows access to the two networks of twenty motes in  real time from which PHP and XML pages are served up. Moteproxy allows real time polling of data online from any sensors network that is connected and switched on, the data is then formatting in PHP and XML to enable anyone to make a visualization or interpretation of the data with it. The changing data is what affects what you see and experience. The sensors monitor temperature, sounds, noise, light, vibration, humidity, and GPS

A tree/s that makes music and sings a song about the environment by Stanza. A tree/s that makes music and sings a song about the environment by Stanza.
The Singing Trees 2013 at Tremough The Singing Trees 2013 at Tremough

 

Technology Hardware (Gathering The Data)

The first version of Tree used 40 networked multi sensors. The sensors are hidden all over a tree, broadcasting sensor data (light, temperature, humidity, noise, and GPS location). The data is translated to music. The results produce a singing networked tree which can be heard in the park by the public.

Sensors

Stanza has developed a 40 mote multi sensor network that is used in this artwork and be scattered though the the location. The nodes can be placed up to 10 -300 meters apart over the space. Once switched on they gather the data.

Speakers System

A tree/s that makes music and sings a song about the environment by Stanza.

A custom made wireless speaker system powered by batteries and solar panels presents the sounds. The speakers are placed on the tree/s. The noise level will be set not be just above an ambient level this will not be a loud installation. However one should be able to hear it. The speakers they will be attached to meet all health and safety concerns

Music. This is what it sounded like.Tree

Touring Available for touring , not the tree, but the idea and concept. If you want me to set this up get in touch.

stanza artwork using sensors. Steve Tanza.

You can see the sensors and the speakers in the tree.

The Singing Trees were be presented in Tremough Falmouth The Singing Trees were be presented in Tremough Falmouth
sensors in a tree by stanza
The Singing Trees Sensors 15 sensors in the tree The Singing Trees Sensors
The Singing Trees Technical The Singing Trees Technical
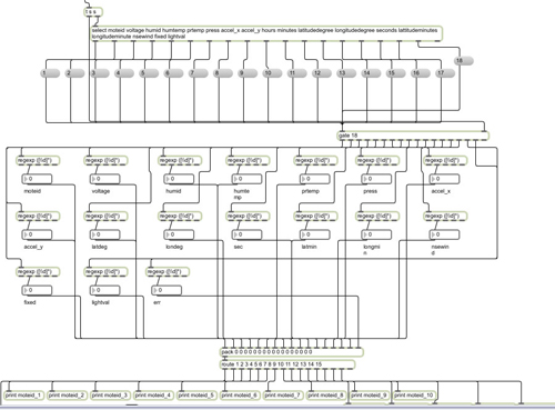
The Singing Trees Technical The Singing Trees Technical Screen shot of software.

 

Version II developed for the Confluence art programme at the Tremough Campus in association with Falmouth University and the University of Exeter.

Version I Prototype made as part of my AHRC fellowship at Goldsmiths College and exhbited in Hyde Park 2008.

email: stanza at sublime.net

stanza data artwork...

Tree by Stanza .The data is translated to music. The new version allows many trees to be linked and talk to one another, and as they do music is made. The music of the trees. Sensors hidden all over a tree, broadcast sensor data ( Light , temp, humidity, noise, gpsposition) and the results are can be heard as a singing networked tree. The data is translated to music. The new version allows many trees to be linked and talk to one another, and as they do music is made. The music of the trees. Tree by Stanza.The data is translated to music. The new version allows many trees to be linked and talk to one another, and as they do music is made. The music of the trees.
Version 1 Hyde Park 2008 Version 1 Software Hyde Park 2008

The first version of Tree used 40 networked multi sensors. The sensors are hidden all over a tree, broadcasting sensor data ( light, temperature, humidity, noise, and GPS location). The data is translated to music. The results produce a singing networked tree which can be heard in the park by the public.

Programming the sensors and preparing the housing before they are deployed outside.

Stanza is preparing the speakers and connecting to solar panels outside..
Hiding the extra batteries for the speakers.
Some of the speakers in the tree.
 

For other work with trees and sensors see

A World of New Possibilities. Tree + Field + Lake + Park

A series of digital artworks are made using data collected from the environment. The landscape becomes virtual, dynamic, and encoded. The artwork disloses the underlying data that we see thats is changing all the time in front of us making the invisible visible.

https://stanza.co.uk/possibilities/index.html